5 easy ways to build with Twilio IoT Circuit Diagram Wi-Fi and Bluetooth (BLE): The ESP32 includes both Wi-Fi and Bluetooth Low Energy (BLE) capabilities. These features are crucial for modern IoT applications, as they allow devices to communicate wirelessly over both short and long ranges. Bluetooth is especially important for low-power devices like wearables and remote sensors.

In the frequency perspective, Wi-Fi technology usually falls in the 2.4-6 GHz. However, we can find a unique Sub-1 GHz Wi-Fi HaLow in this Wi-Fi Stack from the Wi-Fi Alliance. It is gaining traction in the IoT market due to its unique combination of long-range capabilities, and low power consumption.

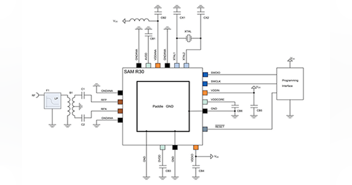
Fi IoT Developer Journey Circuit Diagram
How to test your IoT device and see it in action ; References used; Series Links. To Part 2 : Setting Up an MQTT Broker. Part 2 : IoT, Home Automation. To Part 4 : 'Pimping' Your First IoT WiFi Device. Part 4 : IoT, Home Automation

In this project we show how you can build a basic local home automation system in a few steps. We are going to use a Raspberry Pi which will act as a central WiFi device. Whereas for end nodes we are going to use IOT Cricket to make a battery powered WiFi devices e.g. temperature sensor and connect it to the RPi without writing a single line of There are so many low power networking options for embedded work and WiFi just wasn't designed for that! Just do yourself a favor, pick one and make a single "embedded device network" to

low Power WiFi Home Automation System Circuit Diagram
Launching a Wi-Fi IoT device that delivers users secure, high-performance connectivity and years of battery life is not easy. In this session, we explore Silicon Labs' Wi-Fi Developer Journey and how it provides device makers with an end-to-end guide for ultra-low-power Wi-Fi development from concept planning to manufacturing.

How to Build an App for Low Power IoT Device. Developing an application for low-power IoT devices is quite a complex task with many nuances. In this section,our developer, Serhii Shemshur, will demonstrate two examples: how to develop a program for a microcontroller and how to connect an app to an IoT device to receive data. Common Challenges in Designing Low-Power IoT Devices. Designing low-power IoT devices requires teams to make tradeoffs and consider how the entirety of their design—from hardware to system design—impacts power consumption. Performance vs. Power. Ultimately, the most important tradeoff you must be aware of is performance vs. power. The on-chip transceiver integrates an RF front-end with modulator, and demodulator, with the baseband processing in an embedded communication controller that enables user-friendly communication via the SPI interface. It operates from a 1.8 V to 3.6 V power supply for low-power designs and over an industrial temperature range of -40°C to 85°C.
